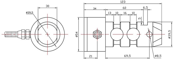
MHZX-SJ-GL軸銷傳感器傳感器采用雙剪切梁結(jié)構(gòu),可代替滑輪中銷軸進行測量徑向力值。主要用于施工升降機超載保護。適用于起重、水利、船舶等行業(yè)的過程控制、超載保護及測控系統(tǒng)??刹捎脙?nèi)置式變送器,轉(zhuǎn)換為電流、電壓信號



MHZX-SJ-GL軸銷傳感器傳感器采用雙剪切梁結(jié)構(gòu),可代替滑輪中銷軸進行測量徑向力值。主要用于施工升降機超載保護。適用于起重、水利、船舶等行業(yè)的過
MHZX-SJ-GL軸銷傳感器傳感器采用雙剪切梁結(jié)構(gòu),可代替滑輪中銷軸進行測量徑向力值。主要用于施工升降機超載保護。適用于起重、水利、船舶等行業(yè)的過程控制、超載保護及測控系統(tǒng)??刹捎脙?nèi)置式變送器,轉(zhuǎn)換為電流、電壓信號


Copyright ? 2002-2024 北京銘翰亞誠科技有限公司 版權(quán)所有備案號:京ICP備16062945號-1網(wǎng)站地圖
掃一掃咨詢微信客服